SPOEB1011-100 Power over Ethernet PSE Media Converter provides PoE to
remotely located devices.
Enables enterprises to provide power to network devices over the existing CAT5
data connection. Transition's AC powered PoE media converters combine data received over
a fiber optic link with -48VDC power; providing power to Data Terminal Equipment (DTE) Power Devices (PD)
over unshielded twisted pair cable. The PoE converters are Power Sourcing Equipment (PSE) and are fully
compatible with Powered Devices (PD) that comply with the IEEE802.3af™: 2003 standard. The
SPOEB1011-100 and other SPOEB10xx-100 converters also include a PD signature sensing and power monitoring
features per the IEEE 802.3af standard. Other features include Over-Current Protection, Under-Current Detection
and Fault Protection Input.

This feature enhanced model offers the ability to enable/disable many of the features as well as force port
capabilities (see switch section under specifications to the right on the SPOEB1011-100
data sheet).
In addition, with the PSE/LPT switch enabled, a loss of Fiber RX will disable PSE power output on the UTP port for
2 seconds to allow remote device to re-initialize. The PoE converter is fully compatible with devices that
comply with the IEEE802.3af standard. The PoE converter is capable of inserting power on data pairs of the MDI.
Features of SPOEB1011-100 Power over Ethernet PoE / PSE Media Converter and other
similar SPOEB10xx-100 models include:
External AC power supply
IEEE802.3af Power Over Ethernet Compatible
48 VDC PSE Output Voltage
Signal Pair Power Insertion
PD Detection Signature
Over-Current Protection & Under-Current Detection
Minimum Load Sensing
Fault Protection Input
Switch selectable features and port settings
Auto-Negotiation
AutoCross™
Link Pass Through
Far End Fault (FEF)
Automatic Link Restoration
Auto-Negotiation (802.3u) with SPOEB1011-100 Power over Ethernet PoE / PSE Media Converter
from Transition Networks
Auto-Negotiation allows devices to perform automatic configuration to achieve the best possible mode of
operation over a link. Devices with this feature, like the SPOEB1011-100 will broadcast their speed (10Mbps, 100Mbps, etc.) and
duplex (half/full) capabilities to other devices and negotiate the best mode of operation between the two
devices.
This feature means:
No user intervention required to determine best mode of operation
Optimal link established automatically
Quick and easy installation
While the inclusion of this feature is beneficial, the ability to disable it is equally beneficial. In the event of a
non-negotiating end device trying to connect to a negotiating device, the mode of operation will drop to the
least common denominator between the two devices (i.e. 100Mbps, half-duplex). Disabling this feature
gives the user the ability to force the connection to the best mode of operation when trying to link with a
non-negotiating device. Most Transition converters with Auto-Negotiation will allow you to
disable this feature.
AutoCross™ feature of the Transition SPOEB1011-100 Power over Ethernet PoE / PSE Media Converter
Automatically detects and configures the twisted pair port on the converter to the correct MDI or MDI-X
configuration.
Eliminates an entire category of troubleshooting
No need to identify cable type—straight-through or crossover
No user intervention required to determine correct button / switch settings
SPOEB1011-100 Power over Ethernet PoE / PSE Media Converter and other
Transition Networks models provide Far End Fault (802.3u)
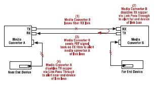
Far End Fault (FEF) is a troubleshooting feature that is generally used in conjunction with Link Pass Through
to notify both end devices of a loss of link. In the event of a loss of the fiber RX signal on the far end
converter the converter will automatically generate a Far End Fault signal and send it on its TX fiber port to
notify the near end converter of a fiber link loss. Link Pass Through will then disable the copper links on
both ends; alerting both end devices of network trouble (see diagram below).

Both end devices automatically notified of link loss
Prevents loss of valuable data unknowingly transmitted over invalid link
Allows for quick diagnosis and resolution of network problems
Transition Networks’s media converters that include the FEF feature do not need to be used as pictured
above as they will work with other network devices that support Far End Fault per IEEE standards.
Link Pass Through
Link Pass Through is a troubleshooting feature that prevents media converters from isolating link failures
and it allows end devices to be notified in the event of a loss of link. Link Pass Through provides the media
converter with the ability to monitor both the fiber and the copper RX ports for a loss of signal. If a loss of
RX signal occurs on one media port, the converter will automatically disable the TX signal on the other port.
By shutting down the fiber TX port, the link failure is “passed through” to the remote converter and device
(see diagram below).

End device automatically notified of link loss
Prevents loss of valuable data unknowingly transmitted over an invalid link
Automatic Link Restoration of SPOEB1011-100 PoE / PSE Media Converter and other models from Transition
Networks
Transition Networks's converters will automatically re-establish link in all network conditions.
- No need to reset devices
Transition Networks's converters will automatically re-establish link when connected to switches if link was
lost. With other manufacturers' converters the user must reset the converter to re-establish the link.
- Auto-Negotiation Enabled
Automatic Link Restoration allows the users to continue using Auto-Negotiation with Link Loss Notification
features. With other manufacturers' converters the user must disable Auto-Negotiation and hard set the link.
- Link Pass Through Activated in both directions
Automatic Link Restoration on Transition Networks's products allows users to continue using Link Loss
Notification feature activated in both directions. Many competitive solutions allow for Link Loss Notification
activation only in one direction. If Link Loss feature is activated in both directions, competitive products are
put in a "deadly embrace" and they cannot restore the link without resetting the converters.